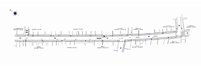
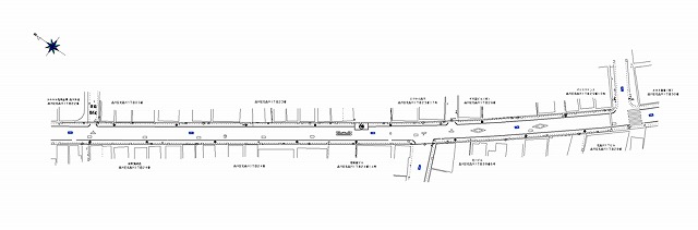
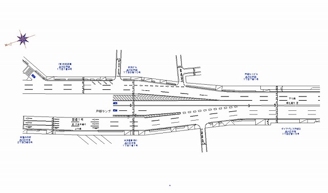
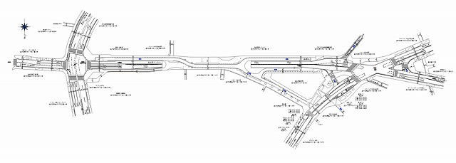
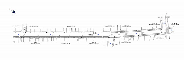
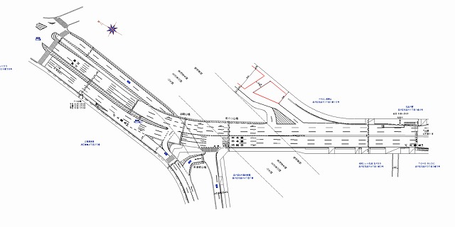
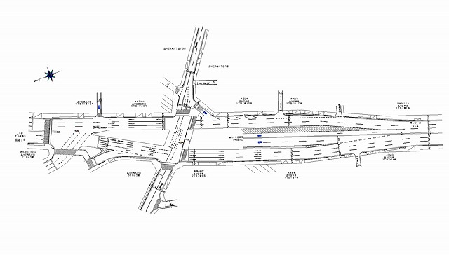
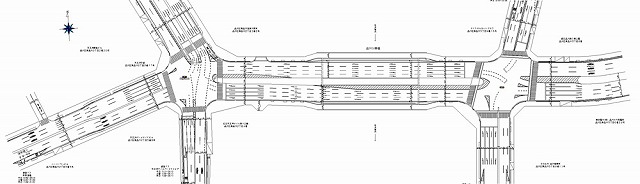
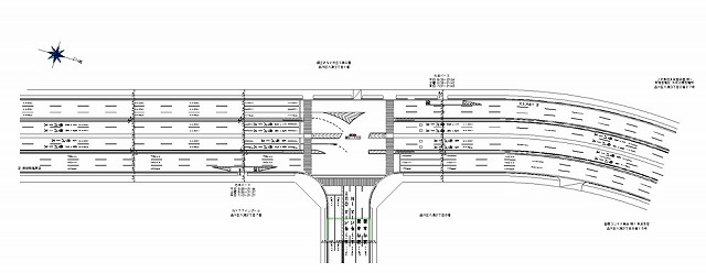
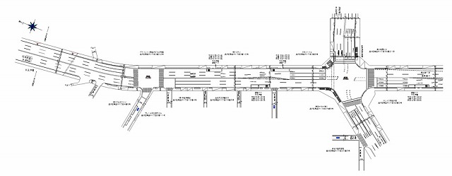
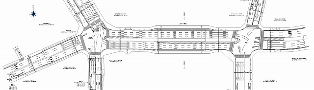
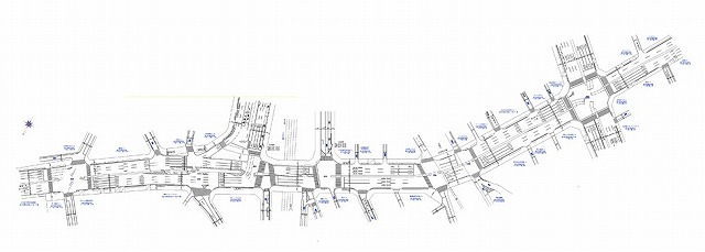
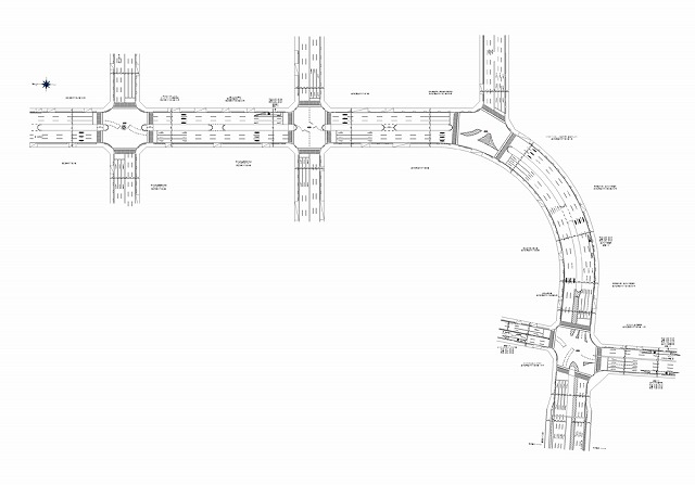
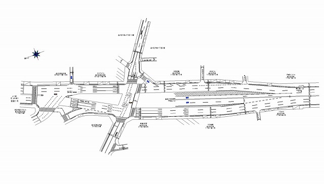
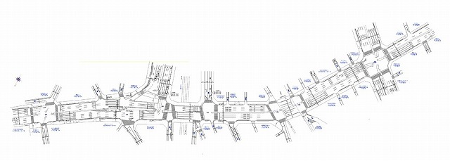
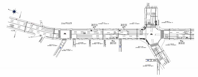
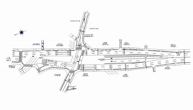
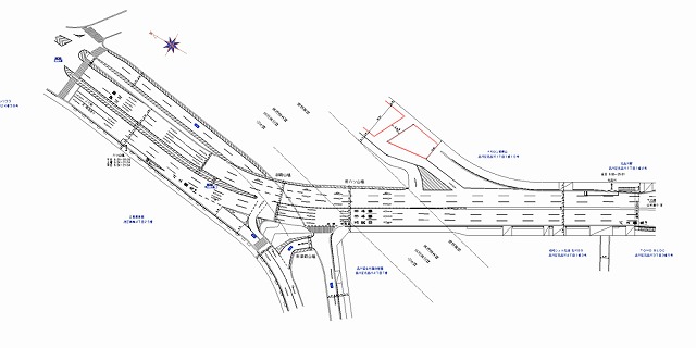
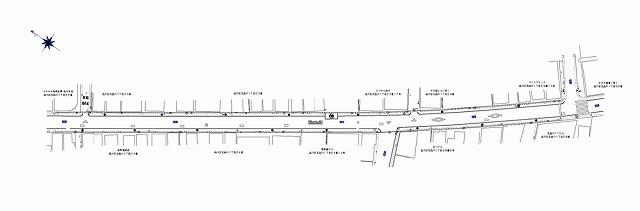
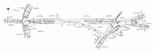
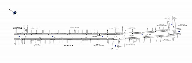
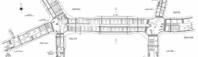
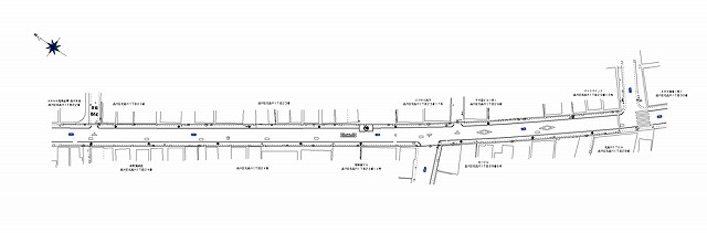
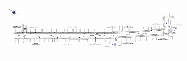
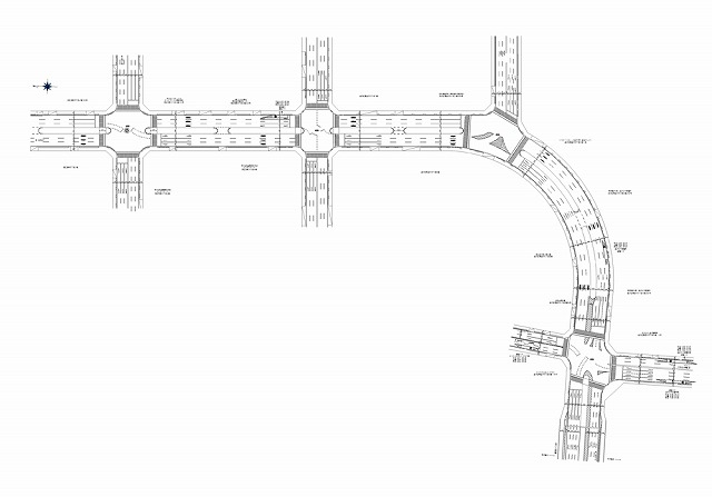
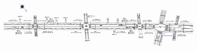
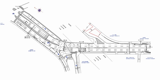
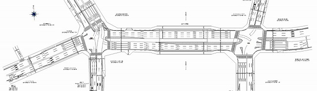
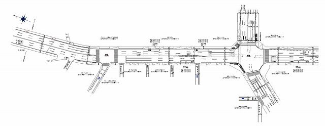
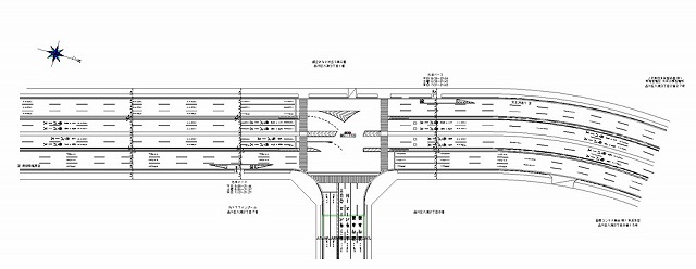
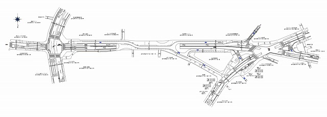
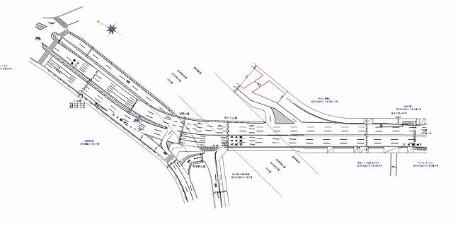
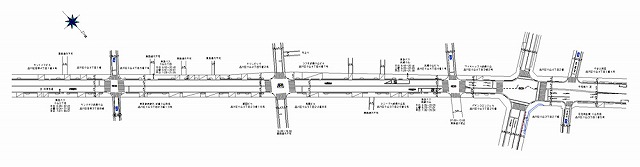
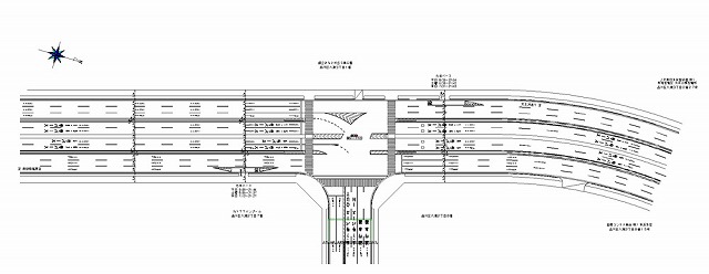
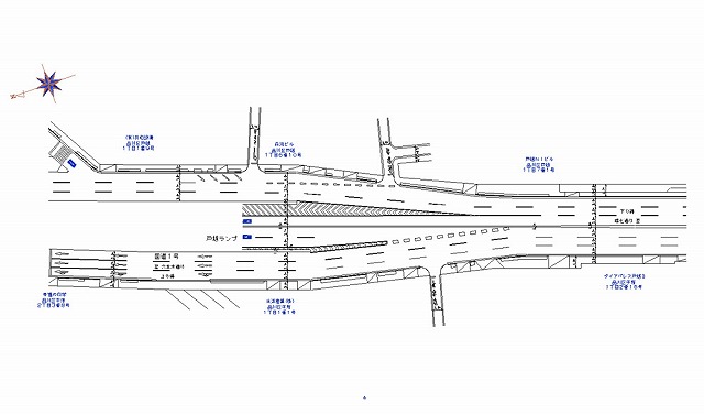
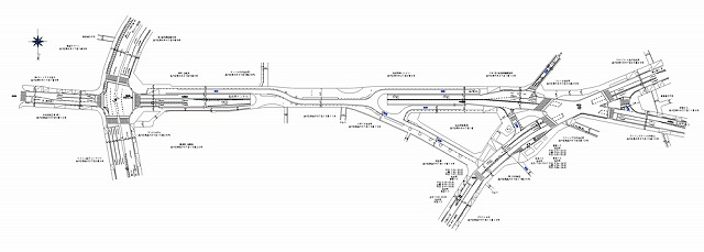
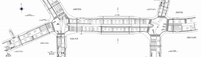
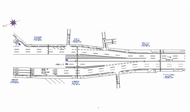
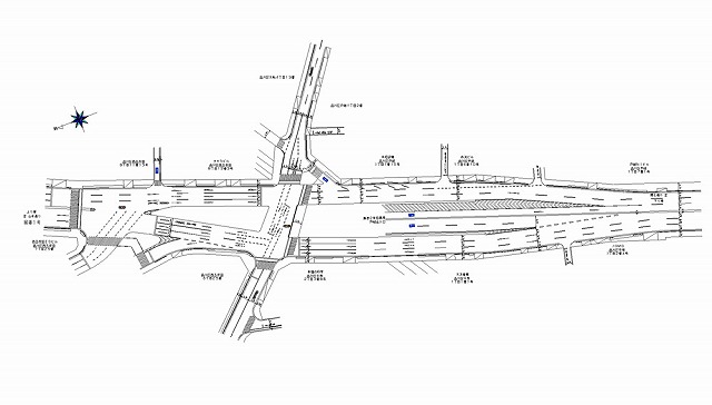
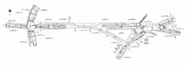
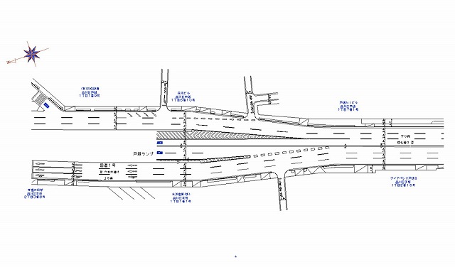
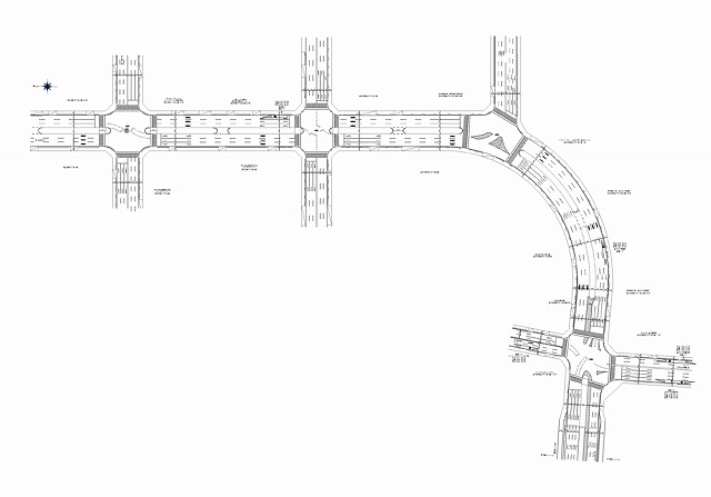
東京都 品川区実績のご案内。24条申請に必要な交通規制図、道路規制図作成はTPN。作業帯図作成から交通量調査、竣工図作成もお任せください。
    
        
	    
東京都 品川区
| 本線名 | 
左端 | 
右端 | 
規制図 | 
| 中原街道 | 
西五反田8丁目 | 
西中延1丁目 | 
 | 
| 国道15号 | 
南大井2丁目 | 
南大井2丁目 | 
 | 
| 国道15号 | 
南大井2丁目 | 
大森本町1丁目 | 
 | 
| 海岸通り | 
勝島1丁目 | 
勝島1丁目 | 
 | 
| 海岸通り | 
勝島1丁目 | 
勝島2丁目 | 
 | 
| 海岸通り | 
勝島3丁目 | 
勝島3丁目 | 
 | 
| 天王洲通り | 
東品川4丁目 | 
東大井1丁目 | 
 | 
| 中原街道/山手通り | 
戸越1丁目 | 
西五反田3丁目 | 
 | 
| 山手通り/池上通り | 
北品川2丁目 | 
南品川3丁目 | 
 | 
| 中原街道/山手通り | 
西五反田1丁目 | 
戸越1丁目 | 
 | 
| 国道1号 | 
豊町6丁目 | 
北馬込2丁目 | 
 | 
| 四間通り | 
豊町3丁目 | 
二葉2丁目 | 
 | 
|   | 
大崎1丁目 | 
大崎1丁目 | 
 | 
| 海岸通り/元なぎさ通り | 
南品川2丁目 | 
東品川3丁目 | 
 | 
| 中原街道 | 
平塚2丁目 | 
平塚2丁目 | 
 | 
| 国道1号 | 
戸越1丁目 | 
平塚1丁目 | 
 | 
| 海岸通り/天王州通り | 
港南4丁目 | 
東品川2丁目 | 
 | 
|   | 
東品川5丁目 | 
東品川5丁目 | 
 | 
|   | 
大井1丁目 | 
大井1丁目 | 
 | 
|   | 
大崎1丁目 | 
大崎1丁目 | 
 | 
|   | 
荏原2丁目 | 
荏原2丁目 | 
 | 
|   | 
八潮5丁目 | 
八潮3丁目 | 
 | 
| 海岸通り | 
東品川2丁目 | 
東品川5丁目 | 
 | 
| 国道1号 | 
東中延1丁目 | 
北馬込2丁目 | 
 | 
| 中原街道 | 
西中延2丁目 | 
旗の台2丁目 | 
 | 
| 山手通り/海岸通り | 
東品川2丁目 | 
東品川1丁目 | 
 | 
| 海岸通り | 
東品川5丁目 | 
東品川2丁目 | 
 | 
| 海岸通り | 
東大井1丁目 | 
勝島1丁目 | 
 | 
|   | 
大崎2丁目 | 
大崎2丁目 | 
 | 
|   | 
東五反田2丁目 | 
東五反田2丁目 | 
 | 
|   | 
大崎3丁目 | 
大崎1丁目 | 
 | 
|   | 
大崎2丁目 | 
大崎2丁目 | 
 | 
|   | 
八潮2丁目 | 
八潮3丁目 | 
 | 
| 国道1号 | 
西五反田8丁目 | 
戸越1丁目 | 
 | 
|   | 
八潮2丁目 | 
八潮2丁目 | 
 | 
| 国道357号/国道15号/海岸通り | 
北品川3丁目 | 
東品川1丁目 | 
 | 
| /目黒通り | 
東五反田5丁目 | 
白金台5丁目 | 
 | 
| 国道1号/山手通り | 
東五反田4丁目 | 
西五反田8丁目 | 
 | 
|   | 
戸越4丁目 | 
平塚1丁目 | 
 | 
| 八ツ山通り | 
北品川1丁目 | 
東品川1丁目 | 
 | 
| 元なぎさ通り | 
東品川3丁目 | 
東品川3丁目 | 
 | 
| 天王洲通り | 
東品川3丁目 | 
東品川3丁目 | 
 | 
| 山手通り | 
東五反田4丁目 | 
西五反田8丁目 | 
 | 
| 旧海岸通り | 
東品川1丁目 | 
東品川1丁目 | 
 | 
| 海岸通り | 
南大井4丁目 | 
南大井2丁目 | 
 | 
|   | 
南大井1丁目 | 
南大井2丁目 | 
 | 
| 海岸通り | 
東大井2丁目 | 
南大井1丁目 | 
 | 
| 海岸通り | 
東大井2丁目 | 
南大井4丁目 | 
 | 
|   | 
東海4丁目 | 
八潮3丁目 | 
 | 
|   | 
東大井5丁目 | 
二葉1丁目 | 
 | 
|   | 
荏原4丁目 | 
小山4丁目 | 
 | 
| 山手通り/池上通り | 
北品川1丁目 | 
南品川3丁目 | 
 | 
|   | 
戸越2丁目 | 
品川3丁目 | 
 | 
| 池上通り | 
東大井5丁目 | 
大井4丁目 | 
 | 
|   | 
南品川4丁目 | 
南品川4丁目 | 
 | 
|   | 
南品川6丁目 | 
南品川5丁目 | 
 | 
|   | 
東大井5丁目 | 
東大井1丁目 | 
 | 
| 海岸通り | 
勝島2丁目 | 
平和島2丁目 | 
 | 
| 海岸通り | 
東大井1丁目 | 
東大井1丁目 | 
 | 
| 区役所通り/池上通り | 
東大井4丁目 | 
東大井5丁目 | 
 | 
|   | 
西五反田2丁目 | 
西五反田2丁目 | 
 | 
| 桐ケ谷通り | 
荏原1丁目 | 
西五反田6丁目 | 
 | 
|   | 
東五反田5丁目 | 
東五反田4丁目 | 
 | 
| 山手通り/峰原坂通り | 
西五反田1丁目 | 
大崎3丁目 | 
 | 
|   | 
目黒本町5丁目 | 
小山台1丁目 | 
 | 
|   | 
南大井5丁目 | 
南大井5丁目 | 
 | 
| 桜新道 | 
南大井5丁目 | 
南大井4丁目 | 
 | 
| 立会道路/光学通り | 
二葉2丁目 | 
大井2丁目 | 
 | 
| 峰原通り | 
大崎3丁目 | 
大崎3丁目 | 
 | 
|   | 
上大崎2丁目 | 
上大崎2丁目 | 
 | 
|   | 
大崎4丁目 | 
大崎4丁目 | 
 | 
| 池上通り | 
大井6丁目 | 
大井6丁目 | 
 | 
|   | 
東五反田1丁目 | 
東五反田2丁目 | 
 | 
|   | 
上大崎2丁目 | 
上大崎2丁目 | 
 | 
|   | 
北品川3丁目 | 
北品川2丁目 | 
 | 
|   | 
西五反田4丁目 | 
西五反田4丁目 | 
 | 
|   | 
西五反田5丁目 | 
荏原1丁目 | 
 | 
|   | 
上大崎3丁目 | 
上大崎3丁目 | 
 | 
|   | 
戸越1丁目 | 
戸越6丁目 | 
 | 
|   | 
平塚2丁目 | 
豊町1丁目 | 
 | 
|   | 
南大井6丁目 | 
南大井6丁目 | 
 | 
|   | 
南大井6丁目 | 
南大井6丁目 | 
 | 
|   | 
南大井6丁目 | 
南大井3丁目 | 
 | 
|   | 
南大井3丁目 | 
南大井3丁目 | 
 | 
|   | 
南大井3丁目 | 
南大井3丁目 | 
 | 
| 桜新道 | 
南大井4丁目 | 
南大井3丁目 | 
 | 
|   | 
南大井2丁目 | 
南大井2丁目 | 
 | 
|   | 
南大井3丁目 | 
南大井3丁目 | 
 | 
|   | 
港南5丁目 | 
東品川5丁目 | 
 | 
| 八ツ山通り | 
北品川1丁目 | 
東品川1丁目 | 
 | 
| 元なぎさ通り | 
東品川3丁目 | 
東品川3丁目 | 
 | 
| 天王洲通り | 
東品川3丁目 | 
東品川3丁目 | 
 | 
| 山手通り | 
北品川2丁目 | 
北品川4丁目 | 
 | 
| 桜新道 | 
南大井5丁目 | 
南大井6丁目 | 
 | 
| 山手通り | 
西五反田3丁目 | 
西五反田1丁目 | 
 | 
|   | 
八潮3丁目 | 
八潮3丁目 | 
 | 
|   | 
東八潮 | 
台場2丁目 | 
 | 
|   | 
八潮1丁目 | 
八潮1丁目 | 
 | 
| 海岸通り/競馬場通り | 
勝島3丁目 | 
勝島1丁目 | 
 | 
| 中原街道 | 
西中延2丁目 | 
旗の台1丁目 | 
 | 
| 中原街道 | 
平塚2丁目 | 
平塚2丁目 | 
 | 
|   | 
高輪4丁目 | 
北品川1丁目 | 
 | 
|   | 
西品川2丁目 | 
豊町2丁目 | 
 | 
| 海岸通り | 
東大井1丁目 | 
勝島1丁目 | 
 | 
| 山手通り | 
北品川3丁目 | 
北品川3丁目 | 
 | 
|   | 
八潮1丁目 | 
八潮1丁目 | 
 | 
|   | 
東五反田1丁目 | 
北品川6丁目 | 
 | 
|   | 
北品川6丁目 | 
高輪4丁目 | 
 | 
|   | 
戸越4丁目 | 
戸越5丁目 | 
 | 
| 山手通り | 
西五反田8丁目 | 
西五反田1丁目 | 
 | 
| 目黒通り | 
白金台3丁目 | 
上大崎3丁目 | 
 | 
| 環八通り | 
戸越2丁目 | 
戸越4丁目 | 
 | 
|   | 
北品川1丁目 | 
北品川1丁目 | 
 | 
| 池上通り/区役所通り | 
南品川3丁目 | 
東大井5丁目 | 
 | 
        ▲ページのトップに戻る