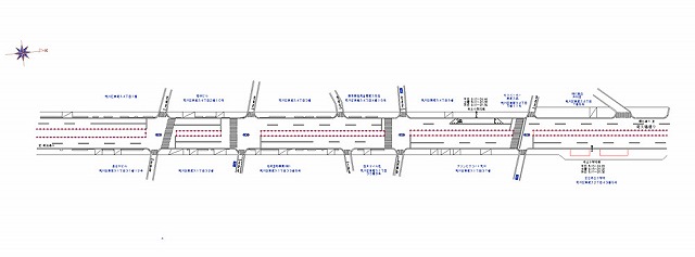
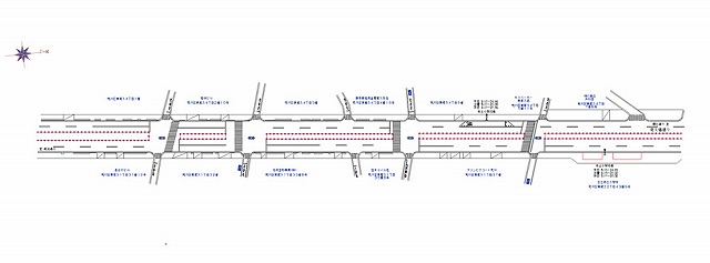
東京都 荒川区実績のご案内。24条申請に必要な交通規制図、道路規制図作成はTPN。作業帯図作成から交通量調査、竣工図作成もお任せください。

東京都 荒川区
| 本線名 |
左端 |
右端 |
規制図 |
| 明治通り |
南千住2丁目 |
南千住3丁目 |
|
| 明治通り |
荒川1丁目 |
東日暮里1丁目 |
|
| 尾久橋通り |
東尾久4丁目 |
東尾久4丁目 |
|
| |
東尾久8丁目 |
東尾久8丁目 |
|
| 尾久橋通り |
西尾久3丁目 |
東尾久6丁目 |
|
| 尾久橋通り/道灌山通り |
西日暮里2丁目 |
西日暮里6丁目 |
|
| 尾竹橋通り |
西日暮里1丁目 |
荒川1丁目 |
|
| 道灌山通り |
千駄木3丁目 |
西日暮里4丁目 |
|
| |
南千住3丁目 |
南千住4丁目 |
|
| 尾竹橋通り/道灌山通り |
荒川3丁目 |
荒川5丁目 |
|
| 尾竹橋通り |
町屋3丁目 |
町屋6丁目 |
|
| 尾久橋通り |
東尾久5丁目 |
東尾久8丁目 |
|
| 尾久橋通り/明治通り |
田町新町1丁目 |
東尾久2丁目 |
|
| |
東尾久5丁目 |
東尾久6丁目 |
|
| 千住間道 |
南千住6丁目 |
南千住6丁目 |
|
| 明治通り |
南千住3丁目 |
橋場2丁目 |
|
| 明治通り/道灌山通り/尾竹橋通り |
荒川5丁目 |
荒川1丁目 |
|
| 小台通り/小台橋みずき通り |
西尾久1丁目 |
西尾久3丁目 |
|
| 尾久橋通り/道灌山通り |
西日暮里5丁目 |
西日暮里5丁目 |
|
| 尾久橋通り/日暮里中央通り |
西日暮里2丁目 |
東日暮里5丁目 |
|
| 尾久橋通り/日暮里中央通り |
西日暮里2丁目 |
東日暮里5丁目 |
|
| |
東尾久8丁目 |
東尾久8丁目 |
|
| 吉野通り |
南千住2丁目 |
南千住5丁目 |
|
| 明治通り |
荒川4丁目 |
荒川1丁目 |
|
| サンパール通り |
荒川2丁目 |
荒川2丁目 |
|
| 千住間道 |
南千住6丁目 |
南千住5丁目 |
|
| 明治通り/尾久橋通り/藍染川通り |
田町新町2丁目 |
西日暮里1丁目 |
|
| 正庭通り |
荒川1丁目 |
荒川1丁目 |
|
| 正庭通り |
荒川1丁目 |
東日暮里1丁目 |
|
| 道灌山通り |
西日暮里1丁目 |
西日暮里1丁目 |
|
| 明治通り |
南千住2丁目 |
南千住2丁目 |
|
| |
東尾久1丁目 |
東尾久3丁目 |
|
| 明治通り/道灌山通り/尾竹橋通り |
西日暮里6丁目 |
荒川4丁目 |
|
| 尾久橋通り |
東尾久8丁目 |
東尾久8丁目 |
|
| 尾久橋通り |
東尾久1丁目 |
東尾久4丁目 |
|
| 尾久橋通り/明治通り |
西日暮里6丁目 |
東尾久4丁目 |
|
| 尾久橋通り |
西日暮里6丁目 |
西日暮里2丁目 |
|
| 吉野通り |
日本堤2丁目 |
南千住5丁目 |
|
| |
東日暮里5丁目 |
西日暮里2丁目 |
|
| 明治通り |
根岸5丁目 |
南千住6丁目 |
|
| 尾久橋通り |
田町新町1丁目 |
東尾久4丁目 |
|
| 千住間道 |
南千住1丁目 |
南千住5丁目 |
|
▲ページのトップに戻る