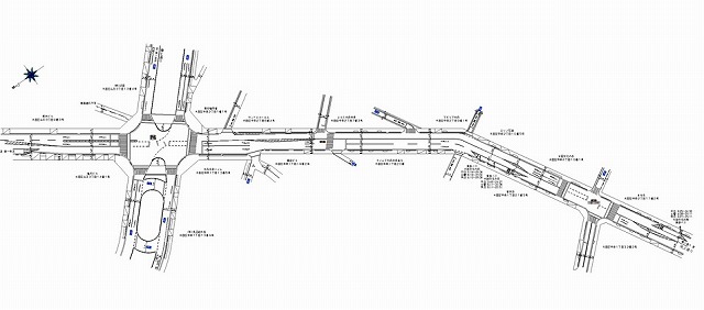
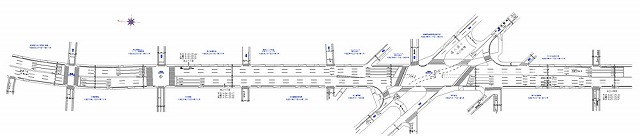
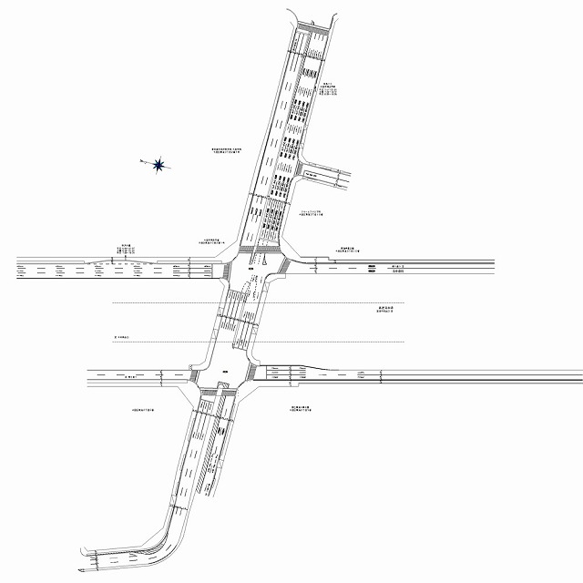
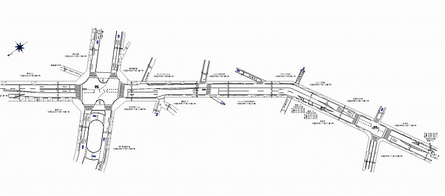
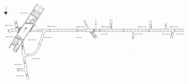
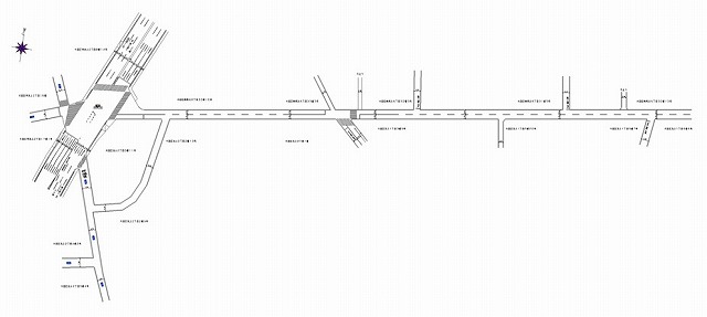
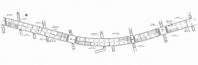
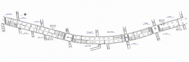
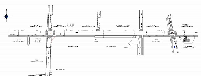
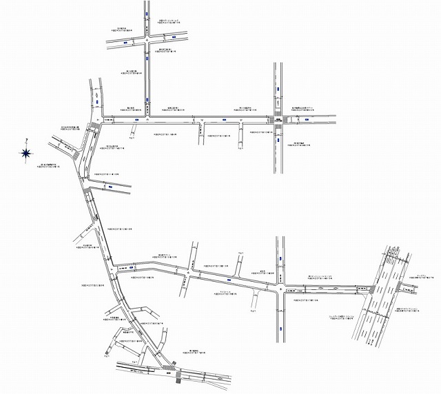
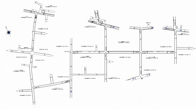
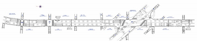
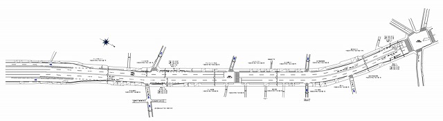
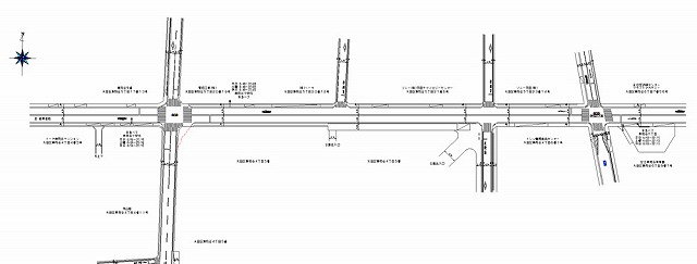
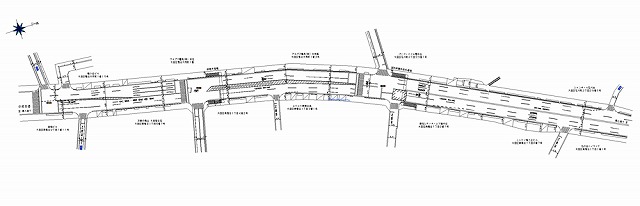
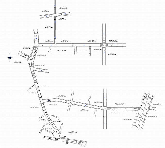
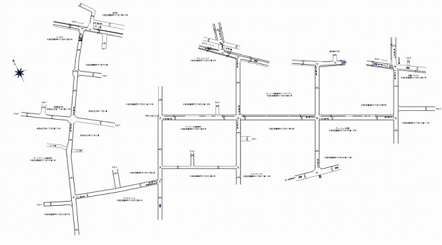
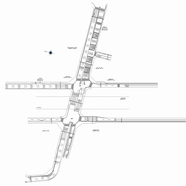
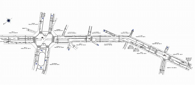
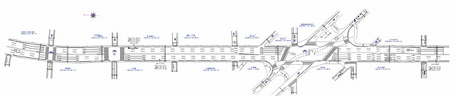
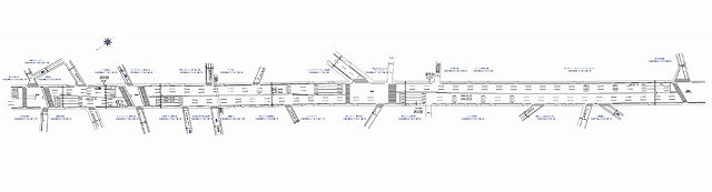
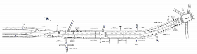
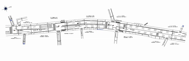
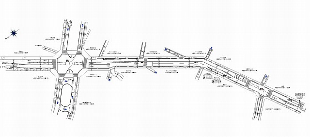
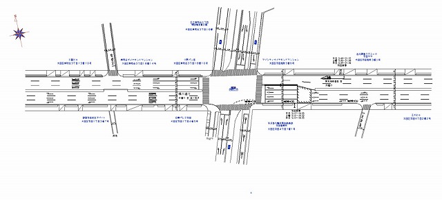
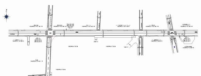
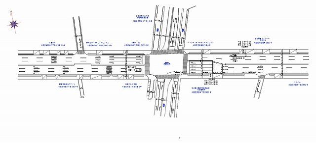
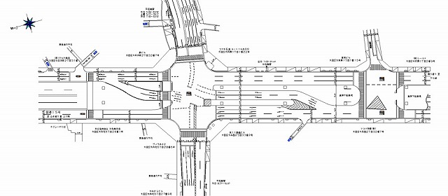
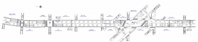
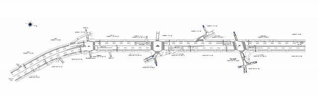
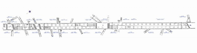
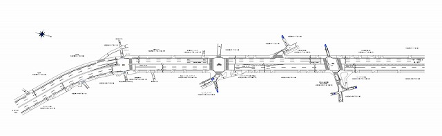
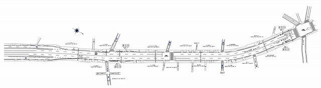
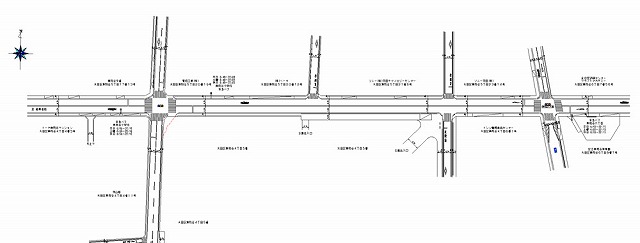
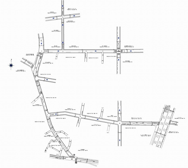
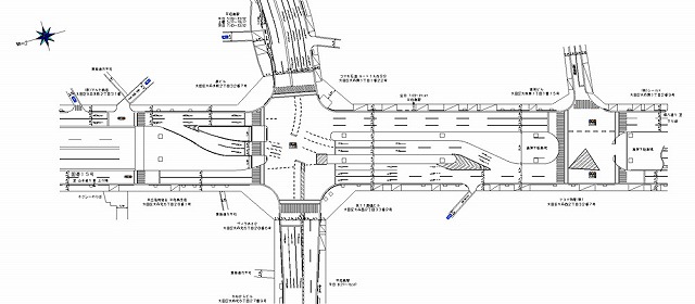
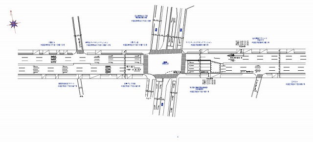
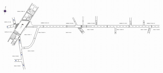
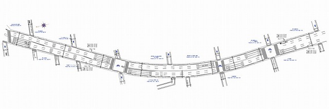
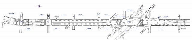
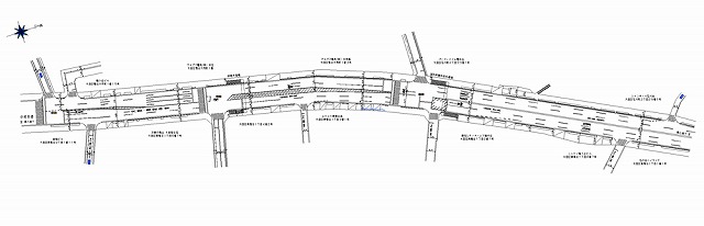
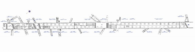
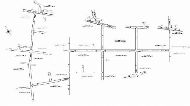
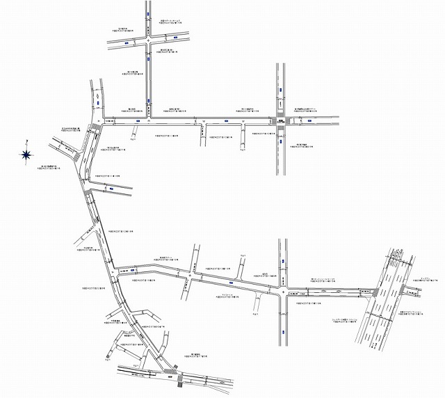
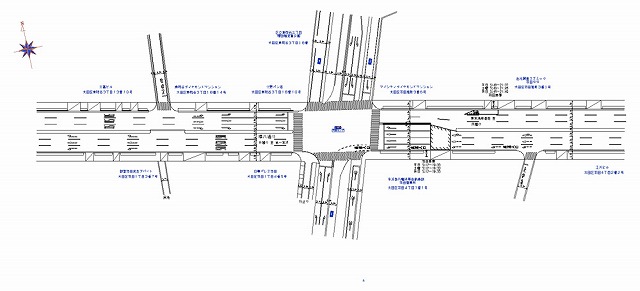
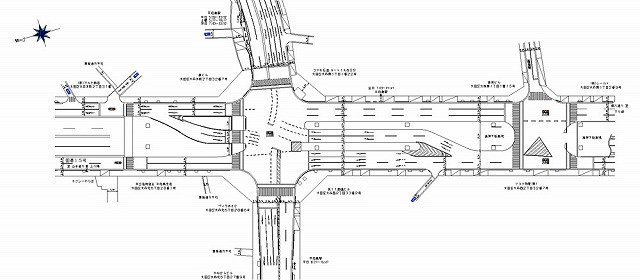
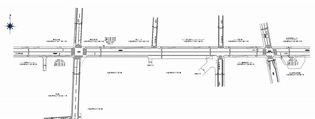
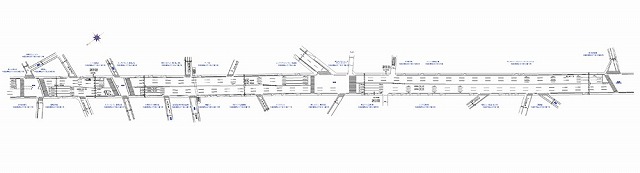
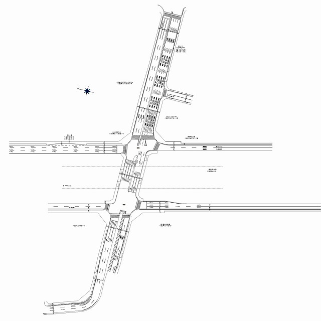
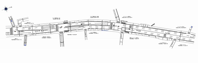
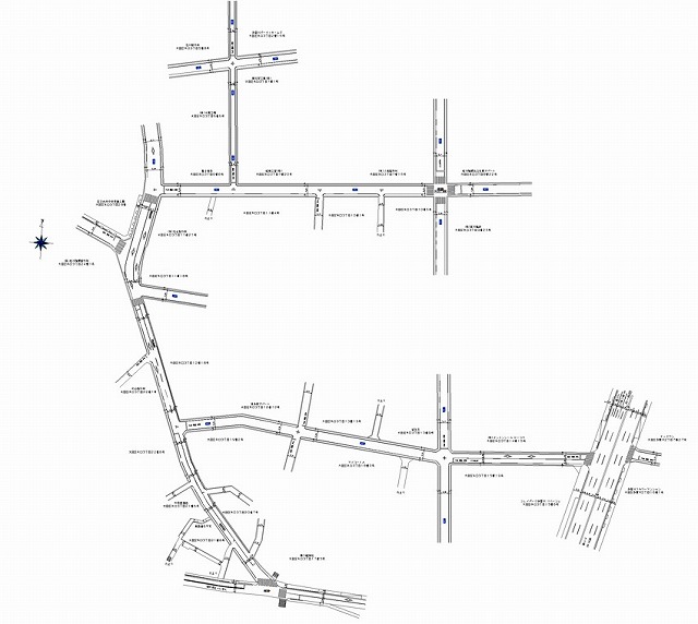
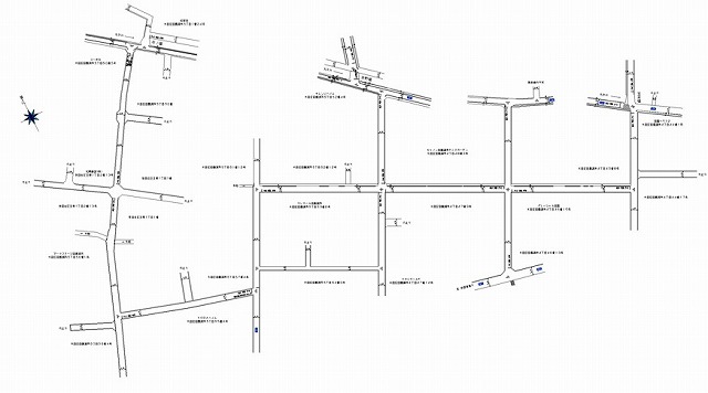
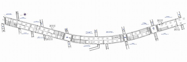
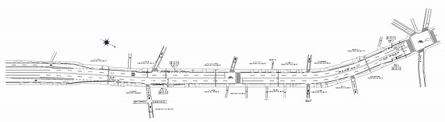
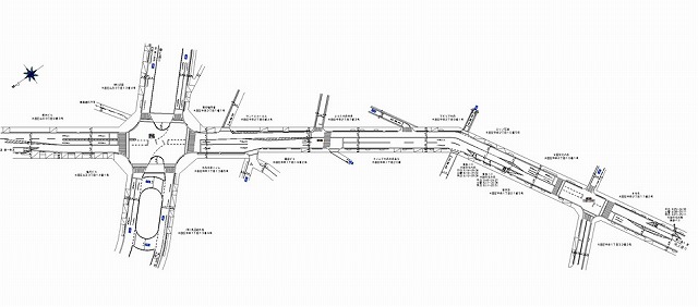
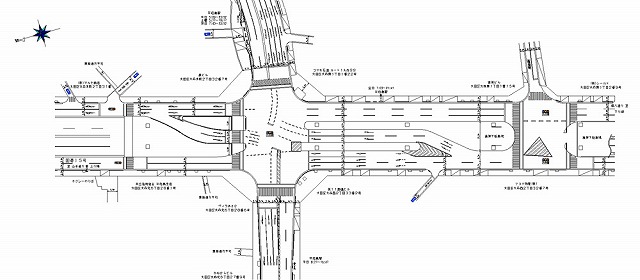
東京都 大田区実績のご案内。24条申請に必要な交通規制図、道路規制図作成はTPN。作業帯図作成から交通量調査、竣工図作成もお任せください。

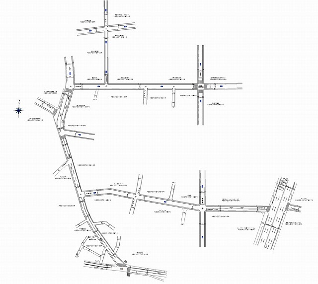
東京都 大田区
| 本線名 |
左端 |
右端 |
規制図 |
| 国道1号 |
池上3丁目 |
千鳥2丁目 |
|
| 環八通り |
池上8丁目 |
多摩川1丁目 |
|
| 環八通り |
東糀谷3丁目 |
羽田4丁目 |
|
| |
平和島3丁目 |
平和島3丁目 |
|
| 環八通り |
羽田空港3丁目 |
羽田空港3丁目 |
|
| 環八通り |
羽田空港1丁目 |
羽田5丁目 |
|
| |
羽田1丁目 |
羽田5丁目 |
|
| |
羽田空港3丁目 |
羽田空港3丁目 |
|
| 環七通り |
大森本町2丁目 |
大森西2丁目 |
|
| |
池上1丁目 |
中央6丁目 |
|
| 環八通り |
羽田5丁目 |
羽田1丁目 |
|
| 環八通り |
新蒲田1丁目 |
新蒲田2丁目 |
|
| |
南雪谷2丁目 |
南雪谷4丁目 |
|
| |
北嶺町 |
南雪谷4丁目 |
|
| ライラック通り |
南久が原2丁目 |
久が原4丁目 |
|
| |
東糀谷4丁目 |
東糀谷6丁目 |
|
| |
羽田空港3丁目 |
羽田空港3丁目 |
|
| |
羽田空港3丁目 |
羽田空港3丁目 |
|
| |
東海3丁目 |
京浜島1丁目 |
|
| 国道1号 |
東馬込1丁目 |
南馬込1丁目 |
|
| 国道1号 |
仲池上2丁目 |
池上3丁目 |
|
| |
羽田空港3丁目 |
羽田空港3丁目 |
|
| 国道1号 |
北馬込2丁目 |
南馬込1丁目 |
|
| 国道15号/環七通り |
大森本町2丁目 |
大森東1丁目 |
|
| 産業道路 |
大森中2丁目 |
大森西3丁目 |
|
| 中原街道/環八通り |
雪谷大塚町 |
田園調布本町 |
|
| 国道1号 |
多摩川1丁目 |
多摩川3丁目 |
|
| 環七通り |
北千束2丁目 |
南1丁目 |
|
| 国道1号 |
池上8丁目 |
多摩川1丁目 |
|
| 環八通り |
池上8丁目 |
多摩川1丁目 |
|
| 国道1号 |
南馬込5丁目 |
南馬込6丁目 |
|
| 国道1号 |
矢口3丁目 |
小向仲野町 |
|
| |
東海3丁目 |
城南島2丁目 |
|
| |
東海3丁目 |
城南島1丁目 |
|
| 産業道路 |
西糀谷3丁目 |
羽田2丁目 |
|
| 国道1号/環八通り |
池上8丁目 |
多摩川1丁目 |
|
| 環七通り |
中馬込1丁目 |
北馬込1丁目 |
|
| 環七通り |
大森西1丁目 |
山王4丁目 |
|
| |
南馬込4丁目 |
南馬込5丁目 |
|
| 池上通り |
山王3丁目 |
中央2丁目 |
|
| 環七通り |
南馬込1丁目 |
上池台1丁目 |
|
| |
南六郷1丁目 |
本羽田2丁目 |
|
| 萩中通り |
萩中1丁目 |
萩中2丁目 |
|
| 環七通り |
南馬込1丁目 |
北馬込1丁目 |
|
| 環八通り |
南蒲田1丁目 |
西糀谷4丁目 |
|
| 環八通り |
多摩川1丁目 |
矢口1丁目 |
|
| 産業道路 |
西糀谷3丁目 |
北糀谷1丁目 |
|
| |
六郷3丁目 |
六郷3丁目 |
|
| |
六郷2丁目 |
六郷1丁目 |
|
| 国道357号 |
東海2丁目 |
東海2丁目 |
|
| 環八通り |
田園調布本町 |
田園調布2丁目 |
|
| 環七通り |
北千束1丁目 |
北千束2丁目 |
|
| 産業道路 |
西糀谷1丁目 |
東糀谷1丁目 |
|
| 中原街道 |
石川町2丁目 |
南千束2丁目 |
|
| |
羽田空港2丁目 |
羽田空港2丁目 |
|
| |
池上1丁目 |
池上2丁目 |
|
| |
池上2丁目 |
池上2丁目 |
|
| |
仲池上2丁目 |
池上1丁目 |
|
| |
池上1丁目 |
池上1丁目 |
|
| |
池上1丁目 |
池上1丁目 |
|
| |
池上1丁目 |
中央6丁目 |
|
| |
池上1丁目 |
中央6丁目 |
|
| |
池上1丁目 |
池上1丁目 |
|
| |
大森西4丁目 |
大森西3丁目 |
|
| |
多摩川1丁目 |
新蒲田2丁目 |
|
| |
多摩川2丁目 |
多摩川2丁目 |
|
| |
矢口3丁目 |
矢口3丁目 |
|
| |
多摩川2丁目 |
多摩川1丁目 |
|
| |
矢口3丁目 |
多摩川2丁目 |
|
| |
玉堤1丁目 |
田園調布4丁目 |
|
| |
田園調布3丁目 |
田園調布3丁目 |
|
| |
田園調布3丁目 |
田園調布3丁目 |
|
| |
池上6丁目 |
西蒲田2丁目 |
|
| |
南馬込6丁目 |
南馬込6丁目 |
|
| |
南馬込5丁目 |
南馬込4丁目 |
|
| 環八通り |
南蒲田1丁目 |
西糀谷4丁目 |
|
| |
西糀谷1丁目 |
西糀谷1丁目 |
|
| |
西糀谷1丁目 |
西糀谷1丁目 |
|
| |
西糀谷1丁目 |
西糀谷1丁目 |
|
| |
南蒲田2丁目 |
南蒲田2丁目 |
|
| |
南蒲田2丁目 |
南蒲田3丁目 |
|
| |
南蒲田3丁目 |
荻中1丁目 |
|
| |
荻中1丁目 |
本羽田1丁目 |
|
| |
南六郷2丁目 |
南六郷2丁目 |
|
| |
南六郷3丁目 |
南六郷3丁目 |
|
| |
南六郷3丁目 |
南六郷3丁目 |
|
| 海岸通り |
勝島2丁目 |
平和島2丁目 |
|
| |
平和島6丁目 |
昭和島2丁目 |
|
| 環七通り |
東海1丁目 |
東海1丁目 |
|
| 環八通り |
千鳥3丁目 |
南久が原2丁目 |
|
| 中原街道 |
東雪谷1丁目 |
上池台1丁目 |
|
| 環七通り |
中馬込1丁目 |
北馬込1丁目 |
|
| 産業道路 |
西糀谷2丁目 |
北糀谷1丁目 |
|
| 環七通り |
中馬込1丁目 |
上池台1丁目 |
|
| 産業道路 |
西糀谷3丁目 |
東糀谷1丁目 |
|
| 環七通り |
大森西2丁目 |
大森西1丁目 |
|
| |
北嶺町 |
北嶺町 |
|
| 環七通り |
南駒込1丁目 |
中駒込1丁目 |
|
| |
蒲田2丁目 |
大森西5丁目 |
|
| 産業道路 |
西椛谷3丁目 |
西椛谷2丁目 |
|
| 産業道路 |
東椛谷3丁目 |
羽田2丁目 |
|
| 環八通り |
羽田空港2丁目 |
羽田空港2丁目 |
|
| 環八通り |
田園調布本町 |
雪谷大塚町 |
|
| 環八通り |
田園調布1丁目 |
田園調布2丁目 |
|
| 環八通り |
南久が原2丁目 |
鵜の木1丁目 |
|
| 中原街道 |
南雪谷2丁目 |
南雪谷1丁目 |
|
| 環七通り |
北千束2丁目 |
北千束2丁目 |
|
| 環七通り |
南馬込1丁目 |
中馬込1丁目 |
|
| 多摩堤通り |
田園調布4丁目 |
田園調布1丁目 |
|
| 多摩堤通り |
田園調布5丁目 |
田園調布4丁目 |
|
| |
東海6丁目 |
東海3丁目 |
|
| 環七通り/中原街道 |
上池台1丁目 |
北千束2丁目 |
|
| 環七通り |
大森西2丁目 |
大森北6丁目 |
|
| 国道1号 |
南馬込5丁目 |
池上2丁目 |
|
| 環八通り |
多摩川1丁目 |
矢口1丁目 |
|
| 産業道路 |
東糀谷1丁目 |
北糀谷1丁目 |
|
| 海岸通り |
平和島3丁目 |
平和島2丁目 |
|
| |
池上3丁目 |
池上3丁目 |
|
| |
池上2丁目 |
池上4丁目 |
|
| 環七通り/産業道路 |
大森本町2丁目 |
大森東3丁目 |
|
▲ページのトップに戻る