神奈川県 座間市実績のご案内。24条申請に必要な交通規制図、道路規制図作成はTPN。作業帯図作成から交通量調査、竣工図作成もお任せください。
神奈川県 座間市
本線名
左端
右端
規制図
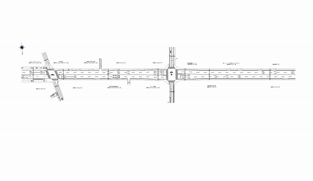
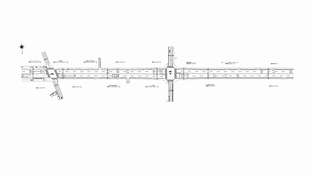
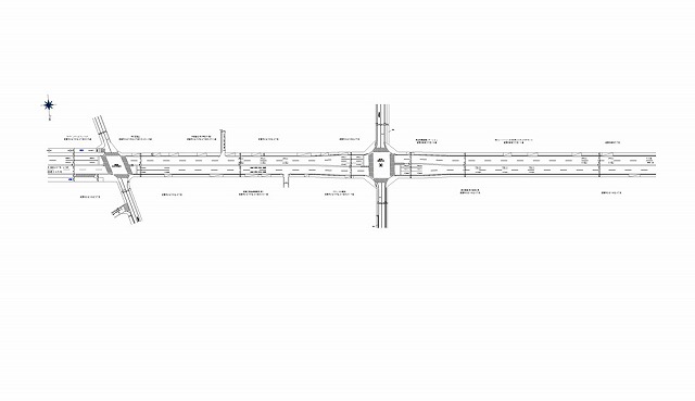
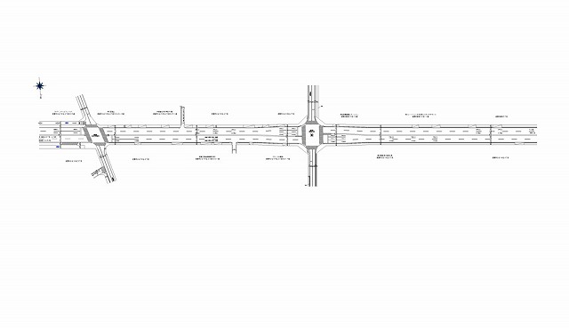
国道246号(大和市〜座間市)
上草柳
東原5丁目
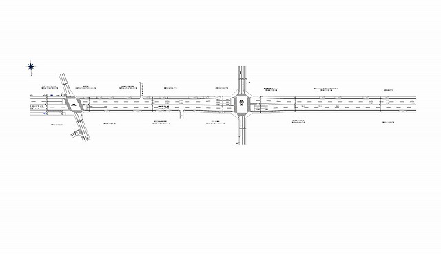
国道246号
ひばりが丘4丁目
東原5丁目
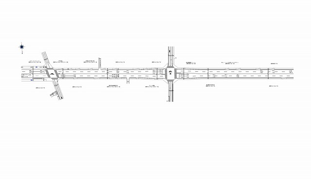
国道246号
ひばりが丘4丁目
東原5丁目
▲ページのトップに戻る
千代田区
中央区
港区
新宿区
文京区
台東区
墨田区
江東区
品川区
目黒区
大田区
世田谷区
渋谷区
中野区
杉並区
豊島区
北区
荒川区
板橋区
練馬区
足立区
葛飾区
江戸川区
東京都下
横浜市
川崎市
相模原市
横須賀市
平塚市
鎌倉市
藤沢市
小田原市
茅ヶ崎市
逗子市
三浦市
秦野市
厚木市
大和市
伊勢原市
海老名市
座間市
南足柄市
綾瀬市
その他